Обратный звонок Отправьте нам свой номер телефона и мы Вам позвоним!
Обязательное поле
Обязательное поле
Спасибо. Мы получили ваш запрос. Мы свяжемся с вами как можно скорее.
320249
320249_2

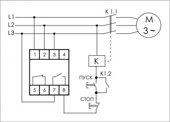
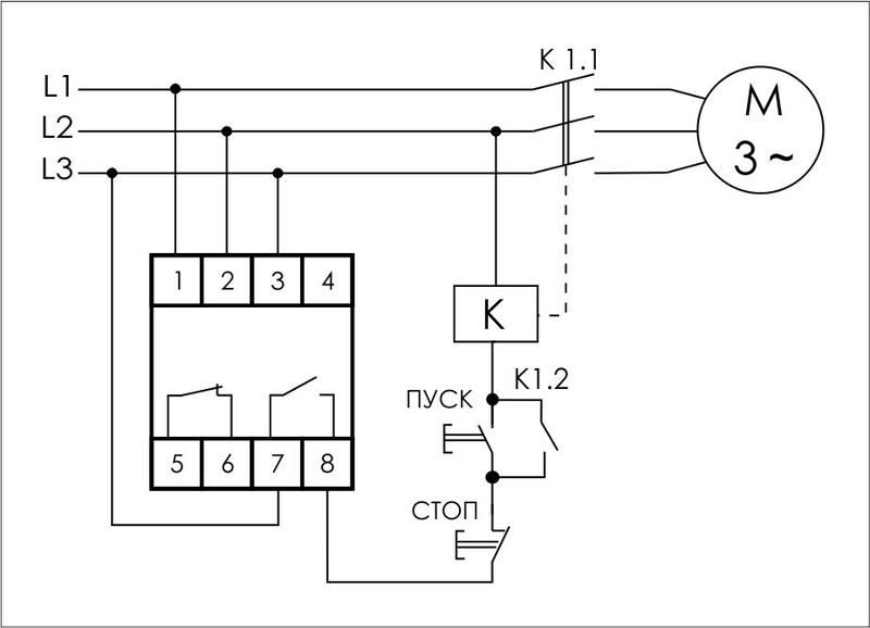
Реле контроля фаз для сетей с изолированной нейтралью CKF-11 (монтаж на DIN-рейке 35мм; регулировка задержки отключения; контроль чередования фаз; 3х400В 8А 1Z 1R IP20)(аналог ЕЛ-1

1946 р
Код: EA04.004.003
В наличии
Реле контроля фаз серии "CKF"
Монтаж на DIN-рейку.
Предназначено для защиты электродвигателей и электроустановок, питаемых от трехфазной сети в случаях: отсутствия хотя бы одной из фаз, асимметрии напряжения, снижения напряжения менее 320 В, повышения напряжения более 480 В, нарушении чередования фаз.
Принцип работы
Если напряжение в пределах нормы, контакты исполнительного реле замкнуты и на контактор управления электродвигателем подается напряжение, управляющее его включением. В случае одной из вышеперечисленных аварийных ситуаций контакты реле размыкаются и контактор отключается. Включение происходит автоматически после восстановления сетевого напряжения питания.
Особенности:
контроль наличия фаз;
контроль асимметрии между фазами;
контроль нижнего значения напряжения;
контроль верхнего значения напряжения;
контроль чередования фаз;
напряжение питания 3x400 В AC;
контакт - 1NO, 1NC (2x8 А).
Ширина
35 мм
Высота
90 мм
Глубина
65 мм
Функция контроля порядка чередования фаз
Да
Функция обнаружения обрыва фазы
Да
Функция обнаружения пониженного напряжения
Да
Функция обнаружения перенапряжения
Да
Функция обнаружения асимметрии фаз
Да
Максимально допустимое время задержки срабатывания без выдержки
2 с
Минимальное регулируемое время задержки срабатывания без выдержки
2 с
Максимально допустимое время задержки
10 с
Минимальное регулируемое время задержки
.5 с
Количество размыкающих контактов
1
Количество замыкающих контактов
1

Оставить отзыв


Защитный код
Обновить

Контакты

+7 (928) 333-37-73

89283333773@mail.ru

Краснодар ст. Новотитаровская, Крайняя, 2/12

Информация

Обращаем Ваше внимание на то, что данный сайт носит исключительно информационный характер и ни при каких условиях не является публичной офертой, определяемой положениями Статьи 437 (2) Гражданского кодекса Российской Федерации.

Для получения подробной информации о наличии и стоимости указанных товаров и (или) услуг, пожалуйста, обращайтесь к менеджерам компании.

Копирование материалов запрещено: «ГК РФ, часть 4, раздел VII: Права на результаты интеллектуальной деятельности.»

Сайт предназначен для пользователей возрастом 18+

Заполняя любые формы на данном сайте вы подтверждаете свое совершеннолетие и соглашаетесь на обработку персональных данных в соответствии с Условиями.
Согласие на обработку данных Яндекс.Метрика | Политика обработки персональных данных
Закройте и не используйте данный сайт, если не согласны с условиями.